Mecatrónica

NS – M – 25 – BU SISTEMA DE CARACTERIZACIÓN ELECTRICA IN SITU PARA MATERIALES SEMICONDUCTORES OBTENIDOS POR PULVERIZACIÓN CATÓDICA

Industria, innovación e infraestructura
Acción por el clima

Asesor: JORGE EDMUNDO MASTACHE MASTACHE

Instituci: TECNM: TECNOLÓGICO DE ESTUDIOS SUPERIORES DE JOCOTITLÁN

Superior (Licenciatura)

Equipo [SISTEMA DE CARACTERIZACIÓN ELECTRICA IN SITU PARA MATERIALES SEMICONDUCTORES OBTENIDOS POR PULVERIZACIÓN CATÓDICA] AMAIRANY GONZÁLEZ[HERNÁNDEZ], EMMANUEL HERNÁNDEZ[SALINAS ]

Este proyecto ha sido desarrollado por alumnos de Ingeniería Mecatrónica del Tecnológico de Estudios Superiores de Jocotitlán, consiste en un sistema de caracterización eléctrica de materiales semiconductores obtenidos por pulverización catódica (sputtering). Su objetivo es analizar películas delgadas de óxidos metálicos, evaluando su conducción, respuesta a estímulos eléctricos y comportamiento frente a variaciones de frecuencia y voltaje, para obtener datos clave en el diseño de dispositivos electrónicos y optoelectrónicos.

Tradicionalmente, la industria de los semiconductores se ha centrado en el uso de silicio y germanio, materiales que han sido la base del desarrollo tecnológico durante décadas. Sin embargo, la creciente demanda de componentes y circuitos eléctricos más eficientes y versátiles impulsa la exploración de nuevos materiales semiconductores. En este contexto, los óxidos metálicos surgen como una alternativa prometedora gracias a su abundancia, bajo costo, estabilidad química, uniformidad en los recubrimientos y buena adherencia al sustrato.

La pulverización catódica, como técnica de deposición física en fase vapor (PVD), permite fabricar capas delgadas con propiedades ajustables según las condiciones de deposición.

Para su análisis, este sistema incorpora herramientas como osciloscopios con patrones de Lissajous y analizadores de espectro, que facilitan la interpretación del comportamiento dinámico de los materiales, complementando las mediciones de presión, corriente y voltaje.

Así, este proyecto representa una aportación al estudio y desarrollo de nuevos semiconductores, contribuyendo al avance en el diseño de dispositivos integrados y tecnologías emergentes.

This project was developed by mechatronics engineering students from the Tecnológico de Estudios Superiores de Jocotitlán. It consists of an electrical characterization system for semiconductor materials obtained through sputtering. Its objective is to analyze thin films of metal oxides, evaluating their conductivity, response to electrical stimuli, and behavior under varying frequencies and voltages, in order to obtain key data for the design of electronic and optoelectronic devices. Traditionally, the semiconductor industry has focused on silicon and germanium, materials that have been the foundation of technological development for decades. However, the growing demand for more efficient and versatile electronic components and circuits is driving the exploration of new semiconductor materials. In this context, metal oxides emerge as a promising alternative due to their abundance, low cost, chemical stability, uniform coatings, and good adhesion to the substrate. Sputtering, as a physical vapor deposition (PVD) technique, allows for the fabrication of thin films with properties that can be adjusted according to the deposition conditions. For analysis, this system incorporates tools such as oscilloscopes with Lissajous patterns and spectrum analyzers, which facilitate the interpretation of the dynamic behavior of the materials, complementing measurements of pressure, current, and voltage. Thus, this project represents a contribution to the study and development of new semiconductors, contributing to advancements in the design of integrated devices and emerging technologies.

Tlatequitiliztli in tlatequipanoa ica tlatequimilolli tlen tlahuilli (caracterización eléctrica in situ) tlen tlachihualtiloni tlen tepoztli tlen oxido, tlen mochiua ica sputtering. Tequihua osciloscopios huan tlatemolilli itlachializ machiyomej in tlatemilia in tlen quichihua tlahuilli, inin tlatequitiliztli ipatiuh para tlamachtiliztli huan tlatemiliztli ipan in yancuic tlatequipanoltiliztli tlen electronica.

Sinopsis

Sistema utilizado para la caracterización eléctrica in situ de semiconductores de óxidos metálicos depositados por sputtering. Utiliza el osciloscopio y analizadores de espectro para evaluar su respuesta eléctrica, sirviendo como herramienta fundamental para la enseñanza e investigación en el desarrollo de nuevos dispositivos electrónicos.

En la vanguardia de la tecnología, la búsqueda de materiales más eficientes para dispositivos electrónicos es constante. Aunque el silicio ha dominado la industria durante décadas, los óxidos metálicos se perfilan como una alternativa revolucionaria debido a su bajo costo, estabilidad y excelentes propiedades eléctricas. Estos materiales, depositados como películas ultradelgadas mediante la técnica de pulverización catódica (sputtering), son la base para crear componentes más potentes y versátiles.

Sin embargo, para aprovechar su máximo potencial, es indispensable analizar sus propiedades eléctricas en el momento exacto de su fabricación. Por ello, este proyecto se centra en el desarrollo de un sistema de caracterización eléctrica in situ. Este sistema permite medir en tiempo real cómo responden estas películas delgadas a estímulos como el voltaje y corriente, determinando su comportamiento fundamental en semiconductores.

A través de este análisis, se obtienen datos cruciales que permiten optimizar el proceso de fabricación y acelerar el diseño de dispositivos electrónicos y optoelectrónicos de nueva generación. En esencia, este sistema es una herramienta clave para innovar en el campo de los semiconductores, abriendo la puerta a tecnologías más eficientes y accesibles.

La industria de los semiconductores, tradicionalmente basada en silicio y germanio, enfrenta el reto de satisfacer la demanda global de dispositivos más eficientes y versátiles con menor impacto ambiental. Los óxidos metálicos surgen como una alternativa prometedora debido a su abundancia, bajo costo y excelentes propiedades eléctricas. Este proyecto permite desarrollar un sistema de caracterización in situ de manera eficiente, facilitando la investigación y optimización de estos materiales.

La industria electrónica enfrenta el reto de desarrollar semiconductores más eficientes y sostenibles. Los óxidos metálicos depositados por pulverización catódica (sputtering) son una alternativa prometedora a los materiales tradicionales como el silicio, debido a su bajo costo y abundancia. En su mayoría, de manera ex situ; es decir, las muestras deben ser extraídas de la cámara de vacío para ser analizadas en equipos externos.

Este procedimiento presenta una limitante ya que las propiedades eléctricas del material pueden alterarse significativamente al exponerse al ambiente, lo que genera que los datos obtenidos no reflejen con fidelidad las propiedades intrínsecas del semiconductor inmediatamente después de su fabricación. Por lo tanto, se identifica la necesidad de un sistema de caracterización eléctrica in situ que permita medir parámetros clave como la conducción, la respuesta a estímulos eléctricos y el comportamiento en frecuencia directamente dentro de la cámara de deposición, sin romper el vacío. Esto garantiza la obtención de datos más precisos y representativos, acelerando el desarrollo y la optimización de nuevos materiales semiconductores basados en óxidos metálicos.

Si se implementa un sistema de caracterización eléctrica in situ que correlacione los parámetros del proceso de pulverización catódica con las propiedades eléctricas de películas delgadas de óxidos metálicos, e será posible optimizar su síntesis para obtener materiales semiconductores con mayor eficiencia energética y estabilidad, contribuyendo al desarrollo de dispositivos electrónicos y optoelectrónicos.

Desarrollar y validar un sistema automatizado de caracterización eléctrica in situ para analizar películas delgadas de óxidos metálicos depositadas por pulverización catódica, con el fin de generar datos que impulsen el diseño de dispositivos electrónicos y optoelectrónicos de alta eficiencia y bajo impacto ambiental.

  1. Diseñar y construir una interfaz mecánica y eléctrica que integre el sistema de caracterización con una cámara de pulverización catódica.
  2. Implementar un protocolo de medición que permita evaluar la conducción eléctrica, la respuesta a variaciones de voltaje y frecuencia, y la estabilidad de los materiales.
  3. Caracterizar las propiedades eléctricas de los óxidos metálicos bajo diversas condiciones de deposición.
  1. Sustituir materiales escasos y contaminantes por otros más abundantes, baratos y con procesos de fabricación menos dañinos para el medio ambiente.
  2. Dominar una técnica de fabricación (sputtering) para crear semiconductores sostenibles, vinculando el proceso de producción con las propiedades finales del material.
  3. Obtener semiconductores más eficientes que permitan diseñar dispositivos electrónicos y optoelectrónicos que consuman menos energía durante su uso.

El desarrollo de los materiales semiconductores ha sido uno de los pilares fundamentales de la revolución tecnológica del siglo XX y XXI. Desde mediados del siglo pasado, el silicio y el germanio se consolidaron como los principales semiconductores, la fabricación de transistores y circuitos integrados.

Sin embargo, con el paso de las décadas, la creciente demanda de dispositivos electrónicos más eficientes, versátiles y sostenibles ha impulsado la búsqueda de nuevos materiales que superen las limitaciones del silicio. En este contexto, los óxidos metálicos han emergido como una alternativa prometedora por su abundancia, bajo costo y estabilidad química, además de ofrecer propiedades ajustables que permiten aplicaciones en dispositivos electrónicos, optoelectrónicos.

La pulverización catódica (sputtering), desarrollada en la primera mitad del siglo XX, ha demostrado ser una de las más eficientes para la obtención de recubrimientos uniformes. Asimismo, la caracterización eléctrica de los semiconductores ha pasado de ser un proceso únicamente ex situ hacia metodologías in situ, que permiten evaluar en tiempo real las propiedades eléctricas durante el crecimiento o modificación de los materiales.

Caracterización eléctrica de materiales semiconductores

La caracterización eléctrica de materiales semiconductores consiste en el estudio y análisis de las propiedades eléctricas fundamentales que determinan el comportamiento y rendimiento de estos materiales cuando son sometidos a campos y corrientes eléctricas. Esta caracterización se enfoca en determinar parámetros clave como la resistividad, la movilidad de portadores de carga, la concentración de portadores y el tipo de semiconductor (N o P), mediante técnicas especializadas como mediciones I-V (Corriente-Voltaje) y el efecto Hall. El objetivo fundamental es establecer relaciones cuantitativas entre la composición, estructura y procesamiento del material con sus propiedades eléctricas finales, información que resulta crítica para el diseño, optimización y control de calidad en la fabricación de dispositivos electrónicos. [2]

Pulverización catódica

La pulverización catódica (PVD)  (sputtering) es una técnica de deposición física de vapor, es una técnica de deposición de películas delgadas que se realiza en una cámara de vacío. Consiste en bombardear un material blanco (target) con iones de un gas inerte (generalmente argón) acelerados mediante un campo eléctrico. [3]. Este bombardeo arranca átomos del material blanco, los cuales se depositan de manera controlada sobre un sustrato cercano, formando una película delgada y uniforme. La técnica se utiliza principalmente en la fabricación de dispositivos electrónicos, recubrimientos conductores destacando por su precisión [4].

Caracterización in situ

La caracterización in situ es una metodología analítica que permite realizar mediciones y observaciones directamente durante el proceso de síntesis, crecimiento o modificación de materiales, manteniendo las condiciones ambientales controladas. .A diferencia de las técnicas ex situ, donde los materiales deben ser extraídos y posiblemente alterados para su análisis, esta aproximación posibilita el monitoreo en tiempo real de propiedades estructurales, composicionales y funcionales bajo condiciones relevantes como altas temperaturas, atmósferas controladas o campos eléctricos aplicados [5].

Materiales semiconductores

Los materiales semiconductores son sólidos cristalinos cuya conductividad eléctrica puede modificarse de manera controlada mediante la introducción de impurezas (dopaje), la aplicación de campos eléctricos, cambios de temperatura o la incidencia de luz. Estos materiales, que incluyen silicio, germanio, presentan comportamiento de conductividad que aumenta con la temperatura a diferencia de los metales y permiten la manipulación precisa de corrientes eléctricas mediante uniones p-n y estructuras constituyendo la base física de diodos, transistores, celdas solares y dispositivos optoelectrónicos [6].

2.1 Diseño

Diseño del Sistema

El diseño del sistema se compone de módulos mecánicos y electrónicos que trabajan en conjunto para la deposición y caracterización del material semiconductor.

Módulo de Deposición

El núcleo del sistema es el equipo de pulverización catódica o sputtering (Anexo B), que opera dentro de una cámara de vacío diseñada específicamente para este proceso (Anexo C). Dentro de esta cámara, se lleva a cabo la deposición de las películas delgadas sobre el sustrato. Para asegurar las condiciones óptimas, el nivel de vacío es monitoreado constantemente a través de un circuito eléctrico con una pantalla LCD (Anexo D). El proceso de fabricación del material se realiza en dos fases: primero se generan los contactos eléctricos (Anexo I) y posteriormente se deposita el material semiconductor final (Anexo J).

Módulo de Caracterización Eléctrica In Situ

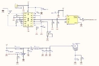
Para el análisis en tiempo real, se diseñó un sistema de caracterización eléctrica. La señal de prueba es generada por un circuito oscilador (Anexo A), el cual produce señales alternas de alta frecuencia. Esta señal inicial se visualiza en el osciloscopio antes de la deposición (Anexo H) para tener un punto de referencia.

Durante el proceso, el comportamiento del material es analizado con dos herramientas clave:

Un visualizador de resistencia (Anexo E) que permite medir la resistividad del material a medida que se va depositando.

El circuito funciona con un PIC16F877A que actúa como el “cerebro” del sistema, calculando el valor de una resistencia desconocida conectada en J1 mediante un divisor de voltaje junto con la resistencia fija R13 (1 kΩ); el voltaje resultante (V_SAMPLE) se mide por el pin analógico RA0/AN0 y, con este dato, el microcontrolador obtiene el valor de la resistencia, mostrando el resultado en una pantalla LCD 16×2 controlada por el puerto D, cuyo contraste se ajusta con el potenciómetro POT1. La alimentación se realiza con 12 V, regulados a 5 V por el LM7805 para el correcto funcionamiento del microcontrolador y la pantalla.

Un visualizador de corriente-voltaje (I-V) (Anexo F) que, mediante el circuito interno del módulo (Anexo G), proyecta el comportamiento del material en el osciloscopio en forma de figuras de Lissajous.

Este circuito utiliza el integrado TL494 para generar una señal PWM en la cual se pueden ajustar tanto la frecuencia como el ciclo útil; esta señal pasa al driver MIC4427, que la amplifica y acondiciona para excitar al MOSFET de potencia IRFZ44N, encargado de conmutar la corriente de la fuente hacia la etapa de salida. Posteriormente, los filtros LC suavizan la conmutación y entregan la energía de manera adecuada a la carga, que en este caso puede ser un transformador o un motor. En relación con la gráfica de corriente contra voltaje tipo Lissajous, esta permite observar el comportamiento de la carga: cuando la figura es una línea recta a 45° significa que voltaje y corriente están en fase (carga resistiva), mientras que si se forma una elipse u óvalo existe un desfase que indica un comportamiento reactivo. Si la elipse se inclina hacia la derecha la corriente se retrasa respecto al voltaje (carga inductiva) y si se inclina hacia la izquierda la corriente se adelanta (carga capacitiva). De esta forma, el circuito controla la entrega de energía y la gráfica Lissajous permite analizar cómo responde la carga en términos de fase y potencia.

Al finalizar la deposición, la señal de salida que ha pasado a través del material semiconductor se muestra nuevamente en el osciloscopio (Anexo K). Esta onda final revela la respuesta eléctrica del material (voltaje), completando así la caracterización in situ y proporcionando los datos necesarios para su evaluación.

El proceso experimental se centró en la fabricación de contactos eléctricos sobre un sustrato mediante la técnica de pulverización catódica (sputtering), utilizando un blanco de plata. Inicialmente, se depositaron dos contactos únicamente en los extremos del sustrato (Anexo I). Tras esta primera etapa, se realizó una medición preliminar con un visualizador de resistencia para caracterizar la deposición inicial. (Anexo H).

Posteriormente, la muestra se reintrodujo en el equipo de sputtering para realizar una segunda deposición, esta vez cubriendo la superficie completa entre los contactos previamente creados (Anexo J). Una vez finalizado el recubrimiento, el dispositivo se conectó a un visualizador de corriente-voltaje. La observación de las figuras de Lissajous, con el voltaje en el eje vertical, confirmó la formación de un conductor eléctrico (Anexo K). Como verificación final, se utilizó un multímetro para medir la resistencia de la capa depositada, corroborando que se había logrado una buena conducción eléctrica a través de la placa.

La metodología empleada, que abarcó desde el diseño conceptual hasta la obtención de resultados experimentales, demostró ser exitosa para la fabricación de un conductor eléctrico funcional. Cada etapa del proceso fue crucial para alcanzar el objetivo final: la deposición inicial de los contactos definió las terminales del dispositivo, mientras que el recubrimiento completo posterior creó la ruta conductiva.

La combinación de las mediciones eléctricas, tanto con el visualizador de corriente-voltaje como con el multímetro, validó de manera concluyente el éxito del procedimiento. Se puede afirmar que, siguiendo los pasos establecidos, se lograron los resultados esperados, obteniendo una capa de plata con las propiedades de conducción eléctrica deseadas. Este trabajo confirma la eficacia de la técnica de sputtering para la creación de componentes electrónicos sobre sustratos.

[1] M. M. J. Deen y F. Pascal, “Caracterización eléctrica de materiales y dispositivos semiconductores: revisión,” Journal of Materials Science: Materials in Electronics, vol. 17, no. 10, pp. 855–879, 2006. doi: 10.1007/s10854-006-6566-3.

[2] P. Biswas, “Caracterización de películas p-Si y n-Si obtenidas por pulverización catódica RF magnetrón,” Tesis de Maestría, Univ. of Texas Rio Grande Valley, 2021. Disponible en: https://scholarworks.utrgv.edu/etd/11091

[3] A. Moumen et al., “Películas delgadas semiconductoras de óxidos metálicos tipo P,” Materials, vol. 15, no. 4, pp. 1–27, 2022. doi: 10.3390/ma15041458.

[4] P. Hu et al., “Efecto del dopaje in situ de hidrógeno en las propiedades eléctricas de transistores de película delgada de In₂O₃,” Electronics, vol. 13, no. 8, art. 1478, 2024. doi: 10.3390/electronics13081478.

[5] C. Todt et al., “Desarrollo de una plataforma híbrida superconductor-semiconductor Nb-GaAs combinando pulverización catódica in situ y epitaxia por haces moleculares,” arXiv preprint, 2023. doi: 10.48550/arXiv.2304.08339.

[6] A. Echresh et al., “Caracterización eléctrica de nanocables de germanio usando una configuración Hall simétrica: dependencia con tamaño y forma,” Nanomaterials, vol. 11, no. 11, art. 2917, 2021.